If you have any questions about our products or special requirements, please contact our sales or technical specialists.
Download our Company Presentation to see the full Coreline product range.
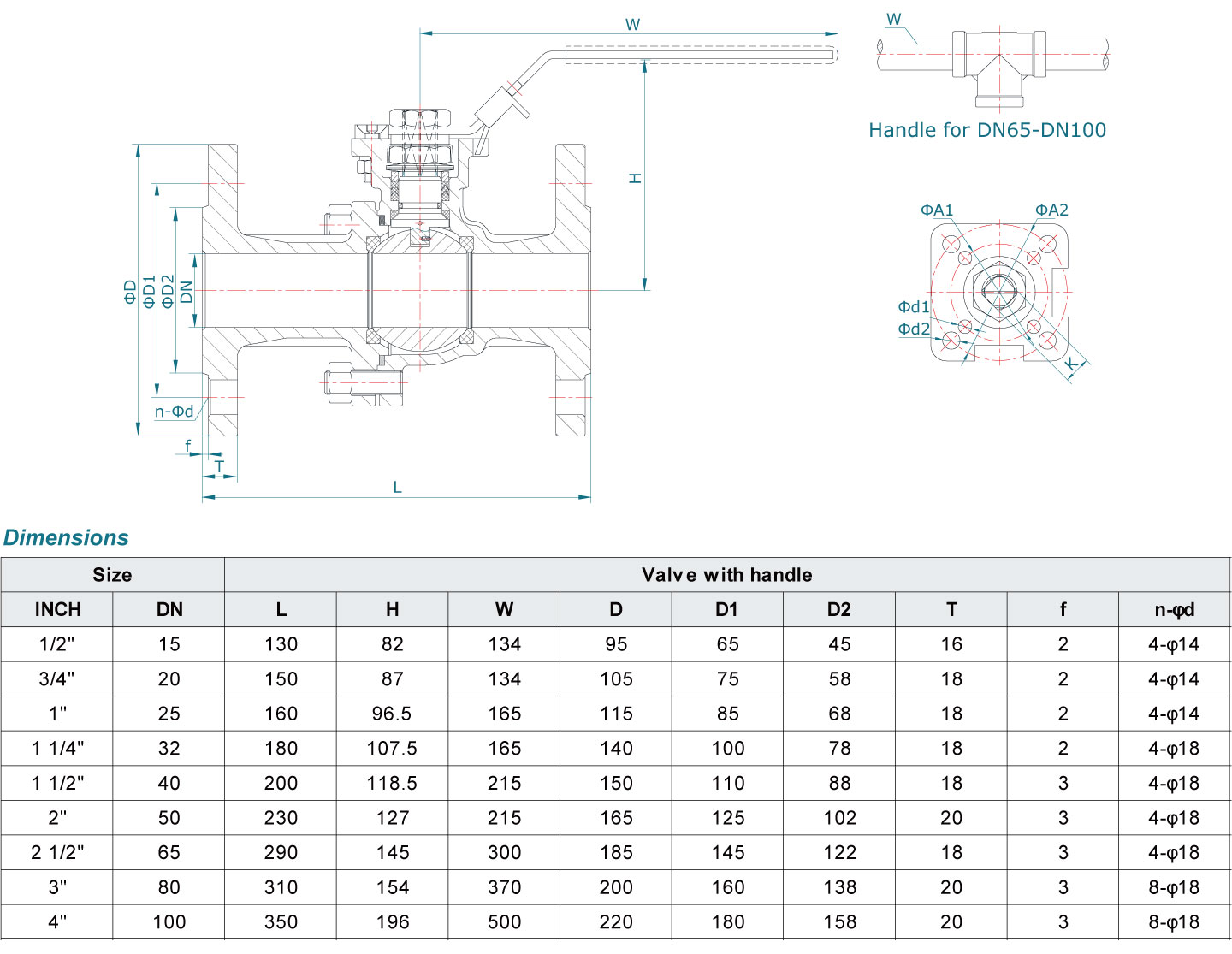
ConnectionPN16/40 - DIN EN1092-1
Size rangeDN15-DN150
Pressure ratingPN16/PN40
Face to faceDIN3202 F1 / BS EN558-1 R1
BodyStainless stee 316, carbon steel
Ball/stemStainless stee 316
SeatPTFE+25% carbon. PTFE, TFM1600 on request
Valve topISO5211
RemarkFiresafe version available




Fig.151 is available only in PN16/PN40 with face-to-face dimensions in accordance with DIN 3202 F1 / EN 558-1 Series R1.
The valve is designed for stable and reliable operation in industrial piping systems.
It features a solid ball design for all sizes, ensuring consistent strength and sealing performance.
• Wax casting with excellent surface finish.
• Full bore for better Kv value.
• Anti-static devices for ball - stem - body.
• Solid ball for all sizes up to DN150.
• Blow-out proof stem.
• Pressure relief hole in ball slot.
• ISO5211 direct mounting pad for easy automation.
• Standard firesafe design; firesafe certified versions upon request.

1) Please contact Coreline for other materials.
2) For firesafe type: SS316+graphite for part 4 & 9, graphite for part 11.

1) Please contact Coreline for other materials.
2) For firesafe type: SS316+graphite for part 4 & 9, graphite for part 11.

